Company
회사소개
Products
제품안내
Technique
기술현황
Community
커뮤니티
Location
오시는길
INDUSTRIAL BRAKE
+
AC-DC MAGNETIC BRAKE
➖
DC MAGNETIC BRAKE
➖
SPEED CONTROL BRAKE
➖
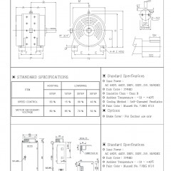
EDDY CURRENT BRAKE
➖
➖
THRUSTOR BRAKE
➖
기타 특수 BRAKE
➖
CABLE REEL
SPRING TYPE
➖
FRICTION TYPE
➖
HOSE REEL
➖
MAGNETIC COUPLING TYPE
➖
SLIP LING
ELECTRO MAGNET
LIFTING MAGNETE
➖
SCRAP MAGNET
➖
BILLET MAGNET
➖
SLAB MAGNET
➖
MAG-POT
➖
BATTERY MAGNET
➖
LIFTING PERMANENT MAGNET
➖
MAGNET SEPARATOR
MAGNETIC SEPARATOR
➖
MAGNETIC DRUM & PULLY
➖
METAL DETECTOR
➖
JOY-STIC CONTROLLER
RESISTOR
CRANE 용 RESISTOR
➖
各種 産業用 RESISTOR
➖
LIMIT SWITCH
WORM GEAR TYPE
➖
WEIGHT TYPE
➖
LEVER TYPE
➖
OVER SPEED SWITCH
➖
DIFFERENTIAL SWITCH
➖
PULL CORD SWITCH
➖
BELT SWAY SWITCH
➖
PANTAGRAPH
CARBON TYPE
➖
ROLLER TYPE
➖
CONTROL PANEL
CRANE CONTROL SYSTEM
➖
HOIST CONTROL SYSTEM
➖
INVERTER CONTROL SYSTEM
➖
SYNCHRO CONTROL SYSTEM
➖
수배전반
저 압 반
➖
고 압 반
➖
CRANE
HOIST CRANE
➖
GANTRY CRANE
➖
SUPENSION CRANE
➖
JIB CRANE
➖
CRAB CRANE
➖
HOIST
➖
Total 1건
1 페이지
게시물 검색
검색대상
제목
내용
제목+내용
회원아이디
회원아이디(코)
글쓴이
글쓴이(코)
검색어
필수
1
EDDY CURRENT BRAKE